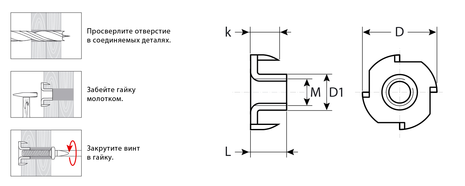
Гайки врезные изготовлены из высококачественной стали в полном соответствии с действующими стандартами и техническими предписаниями. Широко используются в мебельном производстве.
Для создания разъемного резьбового соединения деталей и конструкций из древесины в мебельном производстве. Гайка забивается молотком в заранее подготовленное отверстие, равное внешнему диаметру гайки.